400 630 9768
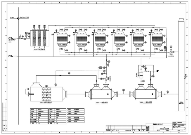
1、干式过滤系统:由于废气中含有粉尘等固体颗粒物,而沸石分子筛对废气的颗粒物的含量及粒径有严格的要求,因此沸石吸附之前设置过滤器:G4袋式过滤+ F7袋式过滤+F9袋式过滤。过滤材料采用多级中高效过滤器组成,将气体中 1um 以上的粉尘去除,净化率≧99%。我司设计生产的过滤器属于模块化设计方便组合、安装拆卸,使设备具备良好的实施性。
2、沸石分子筛系统:废气经过滤后,进入到沸石分子筛吸附床。沸石分子筛吸附床采用一吸一脱工作模式。吸附饱和后采用热空气脱附(180~220℃)后进入催化燃烧炉氧化分解,脱附完成后进入降温阶段,降温结束后固定床进入备用状态。
3、催化氧化系统(CO):经脱附的气体已形成较高浓度的有机气体,在起燃温度的影响下,废气与催化剂发生还原反应被氧化分解后形成二氧化碳和水,达标排放。同时催化氧化产生的热量可降低系统辅助电加热消耗量,当到达一定的浓度时,氧化释放的热量能满足CO自身运行需求。

